Ohlson 38
Enjoy marvellous sailing.....
Home
Einar Ohlson Designs
History
Production
Yards
Construction & Design
Sailing the O-38
Ohlson 38 across the world
Navigation Instruments
NMEA 0183 and N2K
Talkers on board
Listeners on board
System's sensors
System's displays
Software used
WiFI transmission
Sailing with a Tablet
System calibration
Findings faults on NMEA
System overview
Polar files
Waypoints for Navigation
NMEA 0183 and N2K
The O-38 Blog
Document Repository
Getting Help
Boats for Sale
Contact
Site map
Legal Stuff & Impressum
Datenschutz
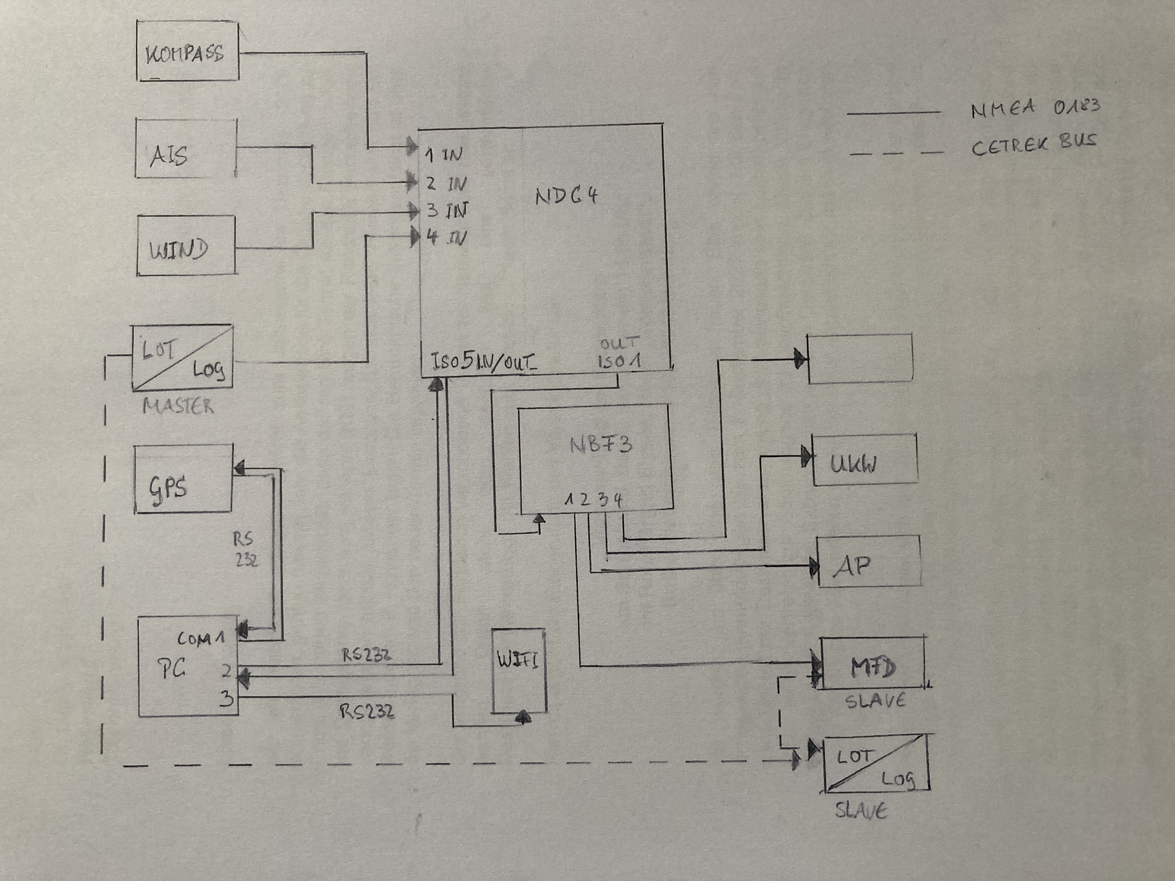
System overview:
A simple graph shows the system.
Home
>
Navigation Instruments
>
System overview
>